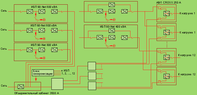
Пример реализации СГЭ на базе ИБП Chloride 90-Net и AB/1 CROSS.